Avaliação do Tópico:
  • 2 votos - 5 Média
  • 1
  • 2
  • 3
  • 4
  • 5
[-]
Donate: pix@brasilfix.com

[-]
Top Poster
There is no top poster to display.

[-]
Online Staff
Admin's profile Admin

[TUTORIAL] Fontes PC -ATX Power Good (PWR_OK)
#1
O Sinal Power Good, é um sinal de status gerado pela fonte de alimentação para notificar o computador que as tensões DC estão dentro dos limites necessários para o funcionamento adequado do computador (+ 5 VDC quando energia é OK). 

Se o sinal Power Good não existir ou for levado a um nível baixo, geralmente o computador se desliga automaticamente. O Power Good é capaz de impedir o funcionamento de chips enquanto não houver tensões aceitáveis.

O Power Good é um recurso existente já no padrão AT. No caso do padrão ATX, seu sinal recebe o nome de Power OK (PWR_OK) e sua existência indica a disponibilização das tensões de 5V e de 3,3V.

   
Geração do sinal “Power Good”

   


Vamos a uma breve descrição que aparecem nas apostilas de manutenção em fontes de alimentação dos PCs:



.png   Fontes PC -ATX Power Good (PWR_OK) 03.png (Size: 24,17 KB / Downloads: 50)


Na figura acima temos o circuito de Power Good singelo típico de uma fonte que usa o tradicional TL494, encarregado de sinalizar para a placa mãe que a(s) tensões estão dentro da faixa aceitável e que ela pode inicializar. Nas fontes AT o Power Good é o fio laranja, e nas ATX geralmente é o cinza. Esse circuito a exemplo é alimentado pela linha de 5 volts e simplesmente inibe o sinal por algum tempo quando se liga a fonte.

Existem circuitos mais elaborados, como os que usam o LM339, e algumas fontes chegam a ter um integrado supervisor especial que monitora todas as saídas e desliga a fonte se alguma delas estiver fora da faixa de tensão aceitável.


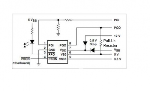
.png   Fontes PC -ATX Power Good (PWR_OK) 04.png (Size: 58,88 KB / Downloads: 51)


   

   


Defeitos mais comuns:

1. Má filtragem na saída da fonte de +5V ou da fonte de +5VSB que esse circuito vai ligado, ai o Power Good ficaria com um ripple elevado confundindo a placa mãe.

2. Resistor Pull-Up (R40/R68 nos exemplos dos esquemas acima) aberto ou trilhas interrompidas.

3. Circuito integrado danificado.  Alguns sinais de PWR OK saem diretamente de um circuito integrado controlador da fonte (ex.: AT2005, AZ7500, SG6105, WT7520) ou de um ic supervisor (ex.: WT7510, WT7525, TPS3510, TPS5510, PS223).

4. Em fontes que tem integrados que monitoram todas as saídas, ou há algum diodo retificador em curto ou má filtragem (Capacitores secos/estufados).



   




Bibliografia:
Datasheet dos integrados mencionados;
Dicas do colega Marcelo Zazulak contidas em sua apostila cedida gentilmente no Fórum FreeBr.
Norma: ATX12V Power Supply Design Guide Version 2_2

Elaborado em 16/08/2011 por: William Rayel
Revisado em: 10/01/2014
----------------------------------------------------------------------------
Considere fazer uma doação para manter este fórum online.
CHAVE PIX: brasilfix@BrasilFix.com
----------------------------------------------------------------------------
Citar
« Anterior | Próximo »




Usuários Online neste Tópico: 1 Visitante(s)